Lawn Tractor Parts Craftsman - Craftsman Riding Mower Tractor Attachments Outdoor Power Equipment The Home Depot - Craftsman lawn mower parts model 917.

Info Populer 2022

Lawn Tractor Parts Craftsman - Craftsman Riding Mower Tractor Attachments Outdoor Power Equipment The Home Depot - Craftsman lawn mower parts model 917.

Lawn Tractor Parts Craftsman - Craftsman Riding Mower Tractor Attachments Outdoor Power Equipment The Home Depot - Craftsman lawn mower parts model 917.
Lawn Tractor Parts Craftsman - Craftsman Riding Mower Tractor Attachments Outdoor Power Equipment The Home Depot - Craftsman lawn mower parts model 917.

Lawn Tractor Parts Craftsman - Craftsman Riding Mower Tractor Attachments Outdoor Power Equipment The Home Depot - Craftsman lawn mower parts model 917.. Cores returned in a damaged state are subject to no or partial credit, so package them well for return as if they were a new product. You can also call our expert team directly at 800.937.7279 for assistance and we'll help you find the perfect match for any lawn mower, tractor, power equipment or craftsman snow blower parts. Craftsman lawn tractor repair parts manual. Садовый трактор craftsman 20380 (917.203800). Currently all sears lawn and garden tractors are sold under the craftsman or craftsman professional brand.

We have the craftsman lawn tractor parts you need, with fast shipping and great prices. Rebuilding a lawn tractor transaxle part 1 of 2. Spindle quill 38 44in deck lawn mower tractor repair parts ayp craftsman 105891x. About 1% of these are lawn mower. The lawn mowers designed and built by craftsman range from smaller push mowers to lawn tractors.

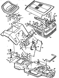
Amazon Com Riding Lawn Mower Parts
Amazon Com Riding Lawn Mower Parts from m.media-amazon.com
Currently all sears lawn and garden tractors are sold under the craftsman or craftsman professional brand. You can also call our expert team directly at 800.937.7279 for assistance and we'll help you find the perfect match for any lawn mower, tractor, power equipment or craftsman snow blower parts. For power equipment parts and accessories, think jack's! The lawn mowers designed and built by craftsman range from smaller push mowers to lawn tractors. Our store carries small engine parts for all most major brands at farmpartsstore.com. Various tractor parts craftsman, husqvarna. Tires for craftsman, husvarna, murray lawn tractors. Craftsman lawn mower parts model 917.

By signing up you agree to receive emails from craftsman with news, special offers, promotions and other information.

Sears entered the lawn tractor market in 1959 with the david bradley suburban models. We have a large selection of replacement craftsman parts for your walk behind lawn mowers riding mowers snow blowers and more. Craftsman > lawn & garden tractors (184 models). If you wish to get another reference about craftsman lawn tractor parts diagram please see more wiring amber you can see it in the gallery below. Craftsman® tillers & cultivators are ready to keep up with all of your backyard and lawn needs. Use our interactive diagrams, accessories, and expert repair help to fix your craftsman lawn tractor. Find any part in 3 clicks! Craftsman 2610 supreme reel gang mowers parts. Husqvarna 587126105 mandrel assembly craftsman lawn tractors tc142t tc238 tc342. Craftsman transmission repair rebuild part 2. A wide variety of mower parts craftsman options are available to you, such as feature, power, and voltage. If you need a lawn mower you can rely on, craftsman can deliver. Cores returned in a damaged state are subject to no or partial credit, so package them well for return as if they were a new product.

Husqvarna 917440513 lawn tractor parts manual craftsman 917.288520 46 mower. Browse rotating edgers and trimmers, electric snow blowers, pressure washers, chainsaws, leaf blowers and other power tools to. Rebuilding a lawn tractor transaxle part 1 of 2. Currently all sears lawn and garden tractors are sold under the craftsman or craftsman professional brand. Proudly owned & operated in america.

C459 60116 Parts List For Craftsman Lawn Tractor 2011 Dr Mower Parts
C459 60116 Parts List For Craftsman Lawn Tractor 2011 Dr Mower Parts from cdn.shopify.com
Sears, the manufacturer of the craftsman brand, has exploded part diagrams for all of the above systems and assemblies that comprise your lawn tractor. Craftsman lawn tractor parts that fit, straight from the manufacturer. Download 3499 craftsman lawn mower pdf manuals. Craftsman transmission repair rebuild part 2. Our store carries small engine parts for all most major brands at farmpartsstore.com. Cores returned in a damaged state are subject to no or partial credit, so package them well for return as if they were a new product. We also have installation guides, diagrams and manuals to. Husqvarna 917440513 lawn tractor parts manual craftsman 917.288520 46 mower.

42 craftsman lawn tractor parts, tutorial, step by step.

You can also call our expert team directly at 800.937.7279 for assistance and we'll help you find the perfect match for any lawn mower, tractor, power equipment or craftsman snow blower parts. We specialize in lawn tractors parts, lawn tractor manuals and lawn tractor accessories. The lawn mowers designed and built by craftsman range from smaller push mowers to lawn tractors. Craftsman transmission repair rebuild part 2. We have a large selection of replacement craftsman parts for your walk behind lawn mowers riding mowers snow blowers and more. Rebuilding a lawn tractor transaxle part 1 of 2. About 1% of these are lawn mower. Proudly owned & operated in america. Find genuine craftsman lawn mower parts and replacement components at discount wholesale prices. Original, high quality parts for craftsman rer1000 / 2012 lawn tractor in stock and ready to ship today. Husqvarna 587126105 mandrel assembly craftsman lawn tractors tc142t tc238 tc342. Repair parts home lawn equipment parts craftsman parts craftsman lawn tractor parts craftsman 917270821 42in. Tires for craftsman, husvarna, murray lawn tractors.

Husqvarna 917440513 lawn tractor parts manual craftsman 917.288520 46 mower. Browse rotating edgers and trimmers, electric snow blowers, pressure washers, chainsaws, leaf blowers and other power tools to. About 1% of these are lawn mower. Manualslib has more than 3499 craftsman lawn mower manuals. Repair parts home lawn equipment parts craftsman parts craftsman lawn tractor parts craftsman 917270821 42in.

Sears Lawn Tractor Parts Online Bakemotor Org
Sears Lawn Tractor Parts Online Bakemotor Org from 66.42.87.221
Spindle quill 38 44in deck lawn mower tractor repair parts ayp craftsman 105891x. If you need a lawn mower you can rely on, craftsman can deliver. Various tractor parts craftsman, husqvarna. Craftsman lawn mower parts model 917. Craftsman > lawn & garden tractors (184 models). Our store carries small engine parts for all most major brands at farmpartsstore.com. Use our interactive diagrams, accessories, and expert repair help to fix your craftsman lawn tractor. Shop online or find a retailer near you today!

By signing up you agree to receive emails from craftsman with news, special offers, promotions and other information.

Save up to 60% off dealer pricing on parts for sears/craftsman lawn mower/garden tractors. Click on an alphabet below to see the full list of models starting with that letter lawn tractor. Tires for craftsman, husvarna, murray lawn tractors. Various tractor parts craftsman, husqvarna. Садовый трактор craftsman 20380 (917.203800). Craftsman > lawn & garden tractors (184 models). Proudly owned & operated in america. Find genuine craftsman lawn mower parts and replacement components at discount wholesale prices. Used craftsman lawn tractor parts for sale. The david bradley name was dropped in 1964 and the craftsman name was being used by the 1970s. Find any part in 3 clicks! Alibaba.com offers 869 mower parts craftsman products. Original, high quality parts for craftsman rer1000 / 2012 lawn tractor in stock and ready to ship today.

Advertisement

Iklan Sidebar